金年会

?
?低视读码器

您的目今位置: 首页 > 产品中心 > 工业牢靠式扫描器 > ?低视读码器

?礛V-ID7080PM-35F-WHA 智能读码器
?礛V-ID7080PM-35F-WHA 智能读码器

功效特征内置读码算法,可高效读取多种类型的一维码和二维码支持图像拼接功效,可对读取到的条码按需举行排序组合输出选用优异的Sensor,图像质量优异,可高速收罗图像数据支持多种触发模式,可凭证应用选择图像收罗模式IO接口富厚,可接入多路输入以及输出信号,支持RS-232串口传输协议接纳一体化光源设计,自带36颗LED光源

详细先容
  • 功效特征

    • 内置读码算法,可高效读取多种类型的一维码和二维码

    • 支持图像拼接功效,可对读取到的条码按需举行排序组合输出

    • 选用优异的Sensor,图像质量优异,可高速收罗图像数据

    • 支持多种触发模式,可凭证应用选择图像收罗模式

    • IO接口富厚,可接入多路输入以及输出信号,支持RS-232串口传输协议

    • 接纳一体化光源设计,自带36颗LED光源,集成度高

     

    订货型号

    MV-ID7080PM-35F-WHA

    image.png

    型号型号MV-ID7080PM-35F-WHA
    名称8K智能线扫读码器
    性能条码种别一维码:Code 39,Code 93,Code 128,CodaBar,EAN等
    二维码:QR,DM等
    最大处置惩罚行频20 kHz
    传送带最大运行速率2 m/s
    区分率8K
    焦距35 mm
    最佳事情距离1000 mm
    视野规模1200 mm@10 mil
    是非/彩色是非
    通讯协议SmartSDK, TCP Client, TCP Server, Serial, FTP
    电气特征数据接口Gigabit Ethernet(1000 Mbit/s)
    数字I/O10-pin绿色端子提供I/O,包括1路差分输入(LineIn 0), 1路光耦隔离输入(LineIn 1), 2路光耦隔离输出(LineOut 1/2), 1路RS-232
    供电48 VDC
    最大功耗180 W@48 VDC
    结构镜头接口F口,法兰后焦46.5 mm
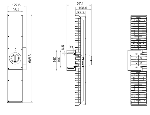
    形状尺寸608.3 mm × 127.6 mm × 167.1 mm
    重量约5 kg
    温度事情温度0 ~ 50°C,蕴藏温度-30 ~ 70°C
    湿度20% ~ 95%RH无冷凝
    一样平常规范软件IDMVS
    操作系统Windows XP/7/10


【网站地图】【sitemap】